欢迎来到无锡市卡博特自动化设备有限公司的官方网站!
24小时服务热线:0510-85539005
QGS系列标准气缸

◆ 图形符号
◆ 型号注释
◆ 技术参数:
工作介质:经过净化并含有油雾的压缩空气
工作压力范围:32~100:0.15~1MPa 、125~320:0.1~1MPa
耐压:1.5MPa
工作温度范围:5~60℃
活塞运动速度范围:50~500mm/s
开关工作电压和电流:AC24~250V≤2A
DC24~110V≤2A
◆ 产品特色:
QGS系列气缸在结构要素和尺寸、安装形式和尺寸方面都符合ISO国际标准,具有工作可靠、耐久性好、起重压力小、密封性好、运动平稳、造型美观、互换性强的特点,属更新换代的气缸系列产品。
本产品通过在活塞上安装聚四氟烯支承环,使活塞运动时密封性能保持均匀密封,达到降低磨损,延长使用寿命的效果。缓冲装置采用国外新型结构,可起单向阀的作用,使气缸结构更加紧凑、合理。
在32~125缸径范围内,可根据用户需要,安装磁控行程开关,实现气缸自动往复运动。
◆ 各种缸径的气缸在不同使用压力下的理论输出力:(单位:N)
|
缸径
(mm) |
活塞
杆径 (mm) |
受压面积cm2
|
使用压力(MPa)
|
||||||||||||
|
0.2
|
0.3
|
0.4
|
0.5
|
0.63
|
0.7
|
||||||||||
|
推
|
拉
|
推
|
拉
|
推
|
拉
|
推
|
拉
|
推
|
拉
|
推
|
拉
|
推
|
拉
|
||
|
32
|
12
|
8.0
|
6.9
|
160
|
138
|
241
|
207
|
321
|
276
|
402
|
345
|
506
|
435
|
562
|
483
|
|
40
|
16
|
12.5
|
10.5
|
251
|
211
|
376
|
316
|
502
|
422
|
628
|
527
|
791
|
665
|
879
|
738
|
|
50
|
20
|
19.6
|
16.4
|
392
|
329
|
589
|
494
|
785
|
695
|
981
|
842
|
1237
|
1039
|
1374
|
1154
|
|
63
|
20
|
31.1
|
28.0
|
623
|
560
|
935
|
840
|
1246
|
1121
|
1558
|
1401
|
1963
|
1765
|
2182
|
1962
|
|
80
|
25
|
50.2
|
45.3
|
1005
|
907
|
1507
|
1360
|
2010
|
1814
|
2513
|
2267
|
3166
|
2857
|
3518
|
3174
|
|
100
|
25
|
78.5
|
73.6
|
1570
|
1472
|
2356
|
2208
|
3141
|
2945
|
3926
|
3681
|
4948
|
4638
|
5497
|
5154
|
|
125
|
32
|
122.7
|
114.6
|
2454
|
2293
|
3681
|
3440
|
4908
|
5687
|
6135
|
5733
|
7731
|
7224
|
8590
|
8027
|
|
160
|
45
|
201.0
|
185.1
|
4021
|
3703
|
6031
|
5554
|
8042
|
7406
|
10053
|
9257
|
12666
|
11664
|
14074
|
12961
|
|
200
|
45
|
314.1
|
298.2
|
6282
|
5965
|
9423
|
8947
|
12566
|
11930
|
15707
|
14912
|
19792
|
18790
|
21901
|
20877
|
|
250
|
50
|
490.8
|
471.2
|
9817
|
9424
|
14726
|
14127
|
19634
|
18849
|
24543
|
23561
|
30925
|
29688
|
34361
|
32986
|
|
320
|
63
|
804.2
|
773.0
|
16084
|
15461
|
24127
|
23192
|
32169
|
30923
|
40212
|
38653
|
50667
|
48703
|
56297
|
54115
|
此表中的数据是理论输出力,在实际选用中应根据不同情况对表中数值乘以0.6-0.8系数后,在选取。
[NextPage]◆ 国际标准QGS系列气缸基本型
◆ 外形尺寸表
|
型号规格
|
A
|
B
|
DD
|
E
|
EE
|
KK
|
MM
|
PJ
|
PM
|
TG
|
VE
|
WF
|
ZJ
|
缓冲行程
|
|
QGS32
|
22
|
28
|
M6
|
50
|
M10*1G1/8"
|
M10*1.25
|
12
|
74
|
11
|
35
|
18
|
26
|
122
|
15
|
|
QGS40
|
24
|
32
|
M6
|
55
|
M14*1.5G1/4"
|
M12*1.25
|
16
|
78
|
12.5
|
40
|
23
|
30
|
133
|
15
|
|
QGS50
|
32
|
36
|
M6
|
62
|
M14*1.5G1/4"
|
M16*1.5
|
20
|
81
|
12.5
|
47
|
25
|
35
|
141
|
15
|
|
QGS63
|
32
|
36
|
M8
|
78
|
M18*1.5G3/8"
|
M16*1.5
|
20
|
95
|
15
|
58
|
25
|
35
|
160
|
20
|
|
QGS80
|
40
|
45
|
M10
|
95
|
M18*1.5G3/8"
|
M20*1.5
|
25
|
98
|
15
|
72
|
30
|
46
|
174
|
20
|
|
QGS100
|
40
|
50
|
M10
|
115
|
M22*1.5G1/2"
|
M20*1.5
|
25
|
103
|
17.5
|
88
|
35
|
51
|
189
|
20
|
|
QGS125
|
54
|
60
|
M12
|
140
|
M22*1.5G1/2"
|
M27*2
|
32
|
122
|
21
|
108
|
44
|
61
|
225
|
20
|
|
QGS160
|
72
|
70
|
M16
|
180
|
M27*2G3/4"
|
M36*2
|
45
|
131
|
22.5
|
136
|
52
|
82
|
258
|
20
|
|
QGS200
|
72
|
70
|
M16
|
220
|
M27*2G3/4"
|
M36*2
|
45
|
144
|
23
|
180
|
59
|
90
|
280
|
25
|
|
QGS250
|
84
|
84
|
M20
|
272
|
M33*2G1"
|
M42*2
|
50
|
152
|
24
|
225
|
63
|
105
|
305
|
25
|
|
QGS320
|
100
|
100
|
M24
|
340
|
M33*2G1"
|
M48*2
|
63
|
172
|
24
|
280
|
74
|
120
|
340
|
25
|
◆ 活塞杆用连接件(代号:LZ)外形尺寸图:

◆ 活塞杆用连接件(代号:LZ)外形尺寸表:
|
缸径
|
CE
|
CK
|
CL
|
CM
|
DA
|
ER
|
KK
|
LE
|
|
32
|
38
|
10
|
40
|
12+0.3+0.1
|
20
|
20
|
M10*1.25
|
15
|
|
40
|
45
|
12
|
44
|
16+0.3+0.1
|
24
|
24
|
M12*1.25
|
20
|
|
50、63
|
54
|
16
|
44
|
16+0.3+0.1
|
28
|
28
|
M16*1.5
|
20
|
|
80、100
|
70
|
20
|
66
|
30+0.3+0.1
|
36
|
36
|
M20*1.5
|
28
|
|
125
|
88
|
25
|
71
|
32+0.3+0.1
|
44
|
44
|
M27*2
|
32
|
|
160、200
|
115
|
32
|
80
|
36+0.3+0.1
|
58
|
58
|
M36*2
|
40
|
|
250
|
130
|
40
|
92
|
42+0.3+0.1
|
64
|
64
|
M42*2
|
50
|
|
320
|
148
|
50
|
110
|
50+0.3+0.1
|
70
|
70
|
M48*2
|
63
|
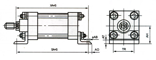
◆ MS1-轴向底座安装型

◆ MP2-尾部双耳环安装型:
◆ MP4-尾部单耳环安装型:
◆ 轴向底座型、耳环型外形安装尺寸表:
|
缸径
|
AB
|
TR
AH |
AO
|
AT
|
CB
EW |
CD
|
FL
|
L
|
MR | SA | UB | XA | XD |
|
32
|
7
|
32
|
11
|
3
|
26
|
10
|
20
|
14
|
10
|
140
|
45
|
144
|
142
|
|
40
|
9
|
35
|
11
|
3
|
28
|
12
|
25
|
16
|
11
|
159
|
52
|
161
|
158
|
|
50
|
9
|
45
|
15
|
3
|
32
|
12
|
25
|
16
|
12
|
166
|
60
|
171
|
166
|
|
63
|
9
|
50
|
15
|
3
|
40
|
16
|
32
|
22
|
15
|
185
|
70
|
190
|
192
|
|
80
|
12
|
63
|
20
|
6
|
50
|
16
|
36
|
24
|
16
|
210
|
90
|
215
|
210
|
|
100
|
14
|
75
|
20
|
6
|
60
|
20
|
41
|
26
|
20
|
220
|
110
|
230
|
230
|
|
125
|
16
|
90
|
22
|
7
|
70
|
25
|
50
|
32
|
25
|
250
|
130
|
268
|
275
|
|
160
|
18
|
115
|
22
|
9
|
90
|
30
|
55
|
35
|
28
|
300
|
170
|
320
|
313
|
|
200
|
22
|
135
|
25
|
9
|
90
|
30
|
55
|
35
|
28
|
320
|
170
|
345
|
335
|
|
250
|
26
|
165
|
25
|
9
|
110
|
40
|
70
|
48
|
39
|
350
|
200
|
380
|
375
|
|
320
|
33
|
200
|
40
|
10
|
120
|
45
|
80
|
50
|
45
|
390
|
220
|
425
|
420
|
◆ MT4-中间轴销安装型:

◆ MF2-尾部法兰安装型:
◆ MF1-头部法兰安装型:

◆ 方法兰型、中间轴销型外形安装尺寸表:
|
缸径
|
BO
|
FB
|
MF
|
R
|
TD
|
TF
|
TL
|
TM
|
UF
|
UM
|
UW
|
W
|
XV
|
ZJ
|
|
32
|
25
|
7
|
8
|
32
|
12
|
64
|
12
|
50
|
80
|
74
|
53
|
18
|
74
|
122
|
|
40
|
30
|
9
|
10
|
36
|
16
|
72
|
16
|
63
|
88
|
95
|
58
|
20
|
81.5
|
133
|
|
50
|
30
|
9
|
10
|
45
|
16
|
90
|
16
|
75
|
110
|
107
|
70
|
25
|
88
|
141
|
|
63
|
35
|
9
|
12
|
50
|
20
|
100
|
20
|
90
|
120
|
130
|
85
|
23
|
97.5
|
160
|
|
80
|
35
|
12
|
16
|
63
|
20
|
126
|
20
|
110
|
150
|
150
|
105
|
30
|
110
|
174
|
|
100
|
45
|
14
|
16
|
75
|
25
|
150
|
25
|
132
|
184
|
182
|
126
|
35
|
120
|
189
|
|
125
|
45
|
16
|
18
|
90
|
25
|
180
|
25
|
160
|
210
|
210
|
155
|
43
|
143
|
225
|
|
160
|
60
|
18
|
20
|
115
|
32
|
230
|
32
|
200
|
268
|
264
|
195
|
62
|
170
|
258
|
|
200
|
60
|
22
|
20
|
135
|
32
|
270
|
32
|
250
|
320
|
314
|
240
|
70
|
185
|
280
|
|
250
|
70
|
26
|
25
|
166
|
40
|
330
|
40
|
320
|
394
|
400
|
300
|
80
|
205
|
305
|
|
320
|
80
|
33
|
30
|
200
|
50
|
400
|
50
|
400
|
475
|
500
|
380
|
90
|
230
|
340
|
Copyright © 无锡市卡博特自动化设备有限公司 版权所有 违者必究
苏ICP备08011079号-1